Konen

Konen verjüngen Kanalisationsschächte gegen oben und ihre Öffnung markiert den Schachteinstieg. Ihre Tragfähigkeit hilft, vertikale Lasten abzufangen, die auf den Schacht wirken.

6 Produkte
14 Artikel
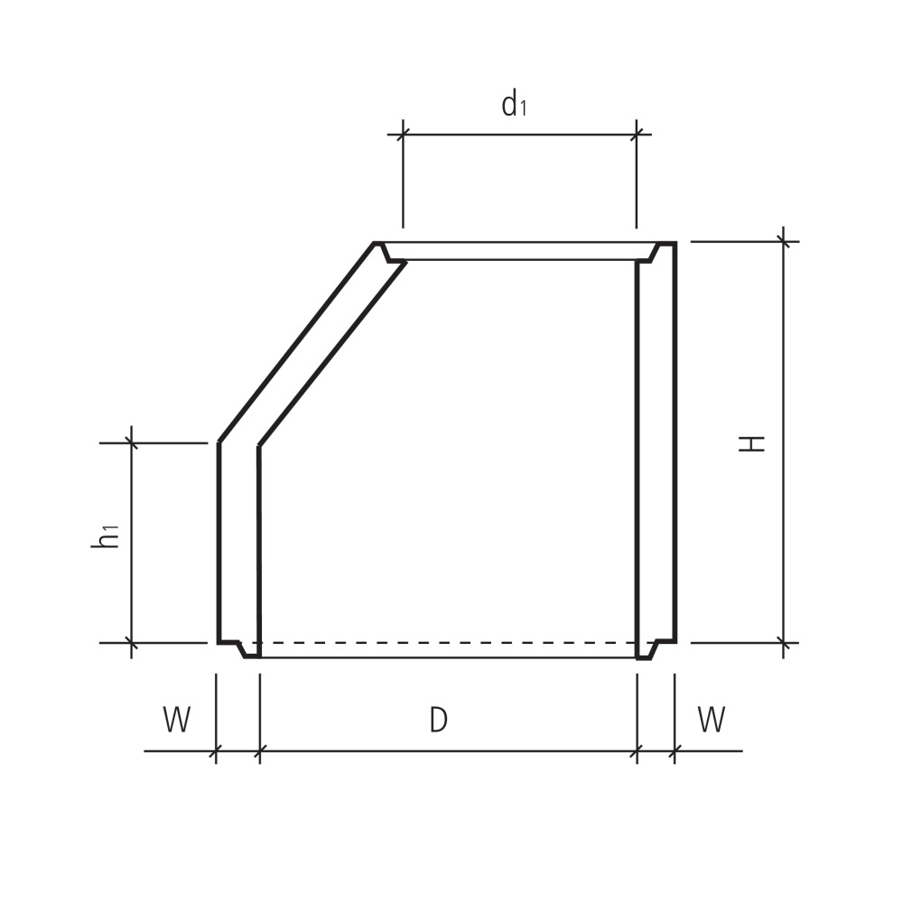
Konen exzentrisch D bis 125 cm
A4001 Konen exzentrisch D bis 125 cm
11 Artikel
Konen zentrisch D bis 125 cm
A4002 Konen zentrisch D bis 125 cm
4 Artikel
Konen oval Typ gerade
A4003 Konen oval Typ gerade
5 Artikel
Konen oval Typ gerundet
A4003 Konen oval Typ gerundet
9 Artikel
Abläufe und Konen Typ SG/GR/AR
A4007 Abläufe und Konen Typ SG/GR/AR
2 Artikel
Konen exzentrisch D 150 bis 200 cm
A4011 Konen exzentrisch D 150 bis 200 cm

Ein Bestandteil von Betonschächten sind Konen. Diese Aufsätze für Schachtringe dienen als Einstieg in den Schacht und verengen dessen Kaliber gegen oben. Zusammen mit der passenden Abdeckung tragen sie die Lasten, die vertikal auf den Schacht drücken. Dabei kommen den Konen die beständigen Eigenschaften von Beton entgegen.

 

 

Betonkonen tragen vertikale Lasten


Konen eignen sich ideal für den Schachtbau bei Kanalisationsprojekten. Sie dienen als Aufsatz des Schachts, der aus Schachtunterteil, Schachtringen und Konen besteht. Die Öffnung in den Konen wird durch eine Abdeckplatte oder einen Deckel geschlossen. Ein Konus hat einerseits die Aufgabe, eine Kaliberanpassung beim Ausstieg aus dem Schacht vorzunehmen. Er verengt den Schacht gegen oben. Andererseits sind Konen und die entsprechenden Abdeckungen dazu da, die vertikalen Lasten zu tragen. Die stabilen und tragfähigen Eigenschaften von Beton machen unsere Konen besonders geeignet für die Verwendung im Schachtbau. Um ihre Langlebigkeit zu gewährleisten, ist eine fachmännische Versetzung zwingend. Zudem ist bei der Wahl der Betonkonen darauf zu achten, dass der Einstieg und die Leiter im Schacht zum Schachtboden passen.

 

 

Umfangreiches Sortiment


Unser Sortiment an Konen umfasst verschiedenste Typen. Damit sie passgenau auf die beim Schachtbau verwendeten Schachtringe montiert werden können, müssen Form und Durchmesser von Konus und Schachtring übereinstimmen. Wir bieten ovale und runde Konen an, die in unterschiedlichen Grössen (Höhe, Durchmesser und Wandstärke) erhältlich sind. Grösse und Form des Ein- und Ausstiegs wie auch die Positionierung dieser Öffnung an der oberen Seite der Betonkonen variieren ebenfalls. Bei exzentrischen Modellen befindet sich der Einstieg an der Schachtwand, sodass die Leiter zum Abstieg in den Schacht einfach erreichbar ist. Konen mit zentrierter Öffnung weisen meist eine Aussparung auf, damit der einfache Zugang zur Leiter gewährleistet ist.

 

 

Passende Abdeckungen


Bei der Anwendung von Konen sind die Vorschriften, Normen und Richtlinien, die im Kanalisationsbau gelten, zu berücksichtigen. Kantone verlangen teilweise spezielle Massnahmen, z. B. betreffend Deckel und Schachtrahmen. Die meisten Schachteinstiege weisen einen Durchmesser von 600 Millimeter auf. Für eine bessere Zugänglichkeit in den Schacht sind zwar grössere Einstiege wünschenswert, allerdings lässt sich dann vielfach die Abdeckung nicht mehr von Hand öffnen. Unsere Konen sind mit sämtlichen Strassenabdeckungen nach Norm SN EN 124 «Aufsätze und Abdeckungen für Verkehrsflächen» kompatibel. Diverse passende Betondeckel, Gussdeckel oder BEGU zu Betonkonen finden Sie in unserem Sortiment.