








CENTUB®-Röser tuyau en béton armé
Les tuyaux en béton armé CENTUB®-Röser se distinguent par leur matériau robuste et la longue durée de vie qui en découle. Les tuyaux en béton armé
CENTUB®-Röser rendent des services fiables dans les canalisations. Ils se distinguent par leur robustesse et leur longue durée de vie. L’utilisation du béton armé renforce les tuyaux et les rend encore plus solides que les tuyaux en béton. Cela a pour conséquence que leur utilisation est très lucrative sur le plan économique.
Diamètres nominaux jusqu’à 1200 mm
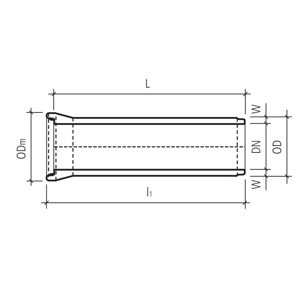
Les différentes dimensions des tuyaux en béton armé CENTUB®-Röser vous donnent la flexibilité nécessaire pour dimensionner votre système d’égouts en fonction de votre projet. Les différents diamètres nominaux et épaisseurs de paroi y veillent. Tous les tuyaux en béton armé CENTUB®-Röser comprennent un côté avec un manchon en cloche et un joint intégré et un autre côté avec une extrémité pointue. Pour la pose, il est nécessaire d’utiliser un lubrifiant qui est réparti sur le manchon et le joint glissant. En complément des tuyaux en béton armé, notre gamme comprend d’autres produits de la marque CENTUB®-Röser:
- tuyaux articulés CENTUB®-Röser armés
- manchons de tuyaux CENTUB®-Röser armés
- tuyaux de raccordement CENTUB®-Röser SP armés
- tuyaux de raccordement CENTUB®-Röser GLM armés
Planification et pose conformes aux normes
Avant de déplacer des tuyaux en béton armé CENTUB®-Röser, des calculs statiques sont nécessaires pour que des facteurs tels que les charges de terre et de circulation puissent être pris en compte dans la planification. La norme SIA 190 «Canalisations» est déterminante à cet égard. Le déplacement des tuyaux doit être effectué par un personnel spécialisé et formé, afin de garantir la longévité du système d’égouts. Les directives, prescriptions et normes des autorités et des associations doivent être respectées à la lettre.
- |
Tri | N° d'article | Informations sur le produit | DL | GR | UP | DN | L (mm) | l1 (mm) | OD (mm) | ODm (mm) | W (mm) | FK | P (kg/m) | P (kg/pce) | Par | Prix | |||
---|---|---|---|---|---|---|---|---|---|---|---|---|---|---|---|---|---|---|---|
5617 | 111098 |
Tuyau CENTUB-Röser DN 1200 mm, L 2500 mm |
stock-2 | GR AA | UP 99 | DN 1200 | L (mm) 2500 | l1 (mm) 2600 | OD (mm) 1480 | ODm (mm) 1700 | W (mm) 140 | FK 135 | P (kg/m) 1680 | P (kg/pce) 4200 | m | 710.00 CHF |
|
||
5609 | 100580 |
Tuyau CENTUB-Röser DN 300 mm, L 2500 mm |
stock-2 | GR AA | UP 99 | DN 300 | L (mm) 2500 | l1 (mm) 2580 | OD (mm) 440 | ODm (mm) 545 | W (mm) 70 | FK 200 | P (kg/m) 220 | P (kg/pce) 550 | m | 105.00 CHF |
|
||
5610 | 109395 |
Tuyau CENTUB-Röser DN 400 mm, L 2500 mm |
stock-2 | GR AA | UP 99 | DN 400 | L (mm) 2500 | l1 (mm) 2590 | OD (mm) 550 | ODm (mm) 660 | W (mm) 75 | FK 200 | P (kg/m) 290 | P (kg/pce) 725 | m | 131.00 CHF |
|
||
5611 | 102765 |
Tuyau CENTUB-Röser DN 500 mm, L 2500 mm |
stock-2 | GR AA | UP 99 | DN 500 | L (mm) 2500 | l1 (mm) 2590 | OD (mm) 670 | ODm (mm) 795 | W (mm) 85 | FK 200 | P (kg/m) 426 | P (kg/pce) 1065 | m | 168.00 CHF |
|
||
5612 | 119831 |
Tuyau CENTUB-Röser DN 600 mm, L 2500 mm |
stock-2 | GR AA | UP 99 | DN 600 | L (mm) 2500 | l1 (mm) 2590 | OD (mm) 780 | ODm (mm) 890 | W (mm) 90 | FK 165 | P (kg/m) 506 | P (kg/pce) 1265 | m | 210.00 CHF |
|
||
5613 | 135036 |
Tuyau CENTUB-Röser DN 700 mm, L 2500 mm |
stock-2 | GR AA | UP 99 | DN 700 | L (mm) 2500 | l1 (mm) 2600 | OD (mm) 880 | ODm (mm) 1055 | W (mm) 90 | FK 165 | P (kg/m) 613 | P (kg/pce) 1533 | m | 278.00 CHF |
|
||
5614 | 112921 |
Tuyau CENTUB-Röser DN 800 mm, L 2500 mm |
stock-2 | GR AA | UP 99 | DN 800 | L (mm) 2500 | l1 (mm) 2600 | OD (mm) 990 | ODm (mm) 1190 | W (mm) 95 | FK 165 | P (kg/m) 743 | P (kg/pce) 1858 | m | 327.00 CHF |
|
||
5615 | 134957 |
Tuyau CENTUB-Röser DN 900 mm, L 2500 mm |
stock-3 | GR AA | UP 99 | DN 900 | L (mm) 2500 | l1 (mm) 2600 | OD (mm) 1110 | ODm (mm) 1265 | W (mm) 105 | FK 165 | P (kg/m) 880 | P (kg/pce) 2200 | m | 408.00 CHF |
|
||
5616 | 107025 |
Tuyau CENTUB-Röser DN 1000 mm, L 2500 mm |
stock-2 | GR AA | UP 99 | DN 1000 | L (mm) 2500 | l1 (mm) 2600 | OD (mm) 1230 | ODm (mm) 1470 | W (mm) 115 | FK 165 | P (kg/m) 1150 | P (kg/pce) 2875 | m | 499.00 CHF |
|
une extremité avec cloche d'emboîtement et joint intégré, autre extrémité mâle
- Contrainte de tension annulaire 6.0 N/mm2
- Des conditions de livraison spécifique s'appliquent aux tuyaux et raccords CENTUB®-Röser. Prix sur demande.
Avec les données CAO/BIM, nous vous facilitons la planification numérique de projets de construction.
Les dessins en 3D d’un projet de construction permettent de sécuriser la planification sûre et d’associer toutes les informations clés du projet. Les visualisations fidèles à l’original garantissent une efficacité accrue en termes de maîtrise des coûts, de respect des délais et de qualité.
Nous nous ferons un plaisir de vous mettre à disposition un grand nombre de nos articles avec des données CAO/BIM dans les trois formats DWG, IFC et NDW.