





CENTUB®-Röser tuyau de raccordement GLM armé
Les tuyaux de raccordement CENTUB-Röser® GLM en béton armé sont conçus pour le raccordement à des éléments de construction existants ou à de nouveaux puits en béton coulé sur place. Selon la situation de construction, les éléments sont soit collés, soit bétonnés de manière ajustée avec ferraillage exposé.
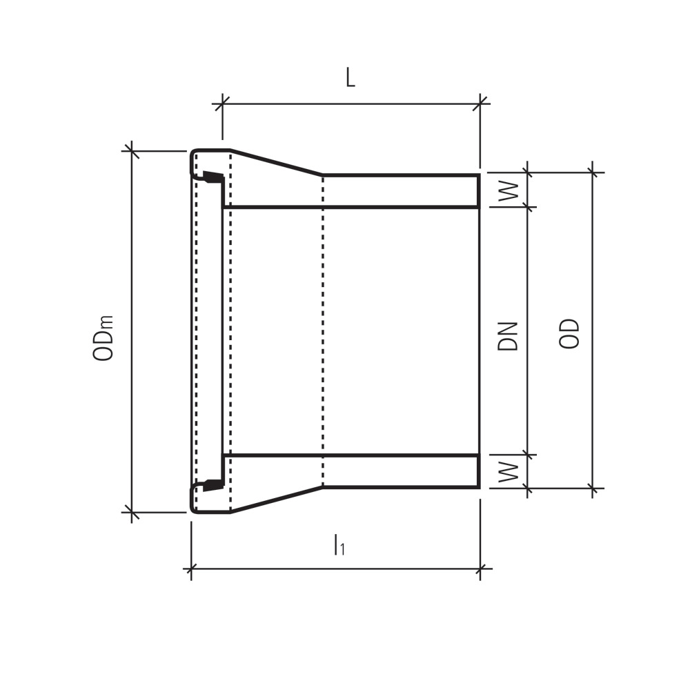
La version avec une extrémité pointue permet leur intégration précise et sécurisée dans les systèmes CENTUB® existants. Les raccords étant réalisés de manière rigide, les éventuelles articulations doivent être créées séparément.
Domaine d’application
Solutions idéales pour le raccordement de conduites d’eaux usées privées, commerciales ou publiques à des structures de puits existantes ou à de nouveaux puits en béton coulé sur place.
Planification et pose conformes aux normes
Avant la pose de tuyaux de raccordement CENTUB®-Röser armés, des calculs statiques sont nécessaires pour intégrer certains facteurs dans la planification, tels que les charges de terre et de circulation. La norme SIA 190 «Canalisations» est déterminante à cet égard. Le déplacement des tuyaux doit être effectué par un personnel spécialisé et formé, afin de garantir la longévité du système d’égouts. Les directives, prescriptions et normes des autorités et des associations doivent être respectées à la lettre.
- |
Tri | N° d'article | Informations sur le produit | DL | GR | UP | DN | L (mm) | l1 (mm) | OD (mm) | ODm (mm) | W (mm) | FK | P (kg/pce) | Par | Prix | |||
---|---|---|---|---|---|---|---|---|---|---|---|---|---|---|---|---|---|---|
5655 | 121358 |
Tuyau raccordement CENTUB-Röser DN 400 L 600 mm |
stock-2 | GR AZ | UP 71, 99 | DN 400 | L (mm) 600 | l1 (mm) 690 | OD (mm) 550 | ODm (mm) 660 | W (mm) 75 | FK 200 | P (kg/pce) 229 | pce | 291.00 CHF |
|
||
5654 | 127308 |
Tuyau raccordement CENTUB-Röser DN 300 L 600 mm |
stock-2 | GR AZ | UP 71, 99 | DN 300 | L (mm) 600 | l1 (mm) 680 | OD (mm) 440 | ODm (mm) 545 | W (mm) 70 | FK 200 | P (kg/pce) 165 | pce | 251.00 CHF |
|
||
5656 | 101505 |
Tuyau raccordement CENTUB-Röser DN 500 L 600 mm |
stock-2 | GR AZ | UP 71, 99 | DN 500 | L (mm) 600 | l1 (mm) 690 | OD (mm) 650 | ODm (mm) 795 | W (mm) 85 | FK 200 | P (kg/pce) 329 | pce | 359.00 CHF |
|
||
5657 | 131223 |
Tuyau raccordement CENTUB-Röser DN 600 L 600 mm |
stock-2 | GR AZ | UP 71, 99 | DN 600 | L (mm) 600 | l1 (mm) 690 | OD (mm) 770 | ODm (mm) 890 | W (mm) 90 | FK 165 | P (kg/pce) 384 | pce | 419.00 CHF |
|
||
5658 | 139958 |
Tuyau raccordement CENTUB-Röser DN 700 L 800 mm |
stock-2 | GR AZ | UP 71, 99 | DN 700 | L (mm) 800 | l1 (mm) 900 | OD (mm) 880 | ODm (mm) 1055 | W (mm) 90 | FK 165 | P (kg/pce) 632 | pce | 655.00 CHF |
|
||
5659 | 103711 |
Tuyau raccordement CENTUB-Röser DN 800 L 800 mm |
stock-2 | GR AZ | UP 71, 99 | DN 800 | L (mm) 800 | l1 (mm) 900 | OD (mm) 1000 | ODm (mm) 1190 | W (mm) 95 | FK 165 | P (kg/pce) 779 | pce | 755.00 CHF |
|
||
5660 | 122610 |
Tuyau raccordement CENTUB-Röser DN 900 L 800 mm |
stock-3 | GR AZ | UP 99 | DN 900 | L (mm) 800 | l1 (mm) 900 | OD (mm) 1110 | ODm (mm) 1265 | W (mm) 105 | FK 165 | P (kg/pce) 1000 | pce | 960.00 CHF |
|
||
5661 | 127169 |
Tuyau raccordement CENTUB-Röser DN 1000 L 800 mm |
stock-2 | GR AZ | UP 71, 99 | DN 1000 | L (mm) 800 | l1 (mm) 900 | OD (mm) 1240 | ODm (mm) 1470 | W (mm) 115 | FK 165 | P (kg/pce) 1198 | pce | 1140.00 CHF |
|
||
5662 | 129606 |
Tuyau raccordement CENTUB-Röser DN 1200 L 800 mm |
stock-2 | GR AZ | UP 71, 99 | DN 1200 | L (mm) 800 | l1 (mm) 900 | OD (mm) 1480 | ODm (mm) 1700 | W (mm) 140 | FK 135 | P (kg/pce) 1604 | pce | 1520.00 CHF |
|
une extremité avec cloche d'emboitement et joint intégré, une extrémité droite biseautée
- Pour installation de parois coulée en place (puits,...).
- Des conditions de livraison spécifique s'appliquent aux tuyaux et raccords CENTUB®-Röser. Prix sur demande.
Avec les données CAO/BIM, nous vous facilitons la planification numérique de projets de construction.
Les dessins en 3D d’un projet de construction permettent de sécuriser la planification sûre et d’associer toutes les informations clés du projet. Les visualisations fidèles à l’original garantissent une efficacité accrue en termes de maîtrise des coûts, de respect des délais et de qualité.
Nous nous ferons un plaisir de vous mettre à disposition un grand nombre de nos articles avec des données CAO/BIM dans les trois formats DWG, IFC et NDW.