





CENTUB®-Röser tuyau d'articulation armé
Les tuyaux d’articulation CENTUB®-Röser armés se distinguent par leur grande résistance et leur longue durée de vie. Grâce à l’utilisation de béton armé, ils sont nettement plus solides que les tuyaux en béton traditionnels et se montrent fiables lorsqu’ils sont utilisés pour les canalisations. Leur structure robuste les rend particulièrement économiques, aussi bien à l’acquisition que durant leur exploitation à long terme.
Utilisation :
les tuyaux d’articulation armés sont principalement utilisés sur des terrains difficiles et à proximité immédiate des puits. L’articulation supplémentaire permet d’augmenter la mobilité longitudinale, ce qui soulage efficacement la zone de raccordement en cas de charges variables.
Planification et pose conformes aux normes
Avant la pose de tuyaux d’articulation CENTUB®-Röser, les mêmes lois s’appliquent que pour les tuyaux standard. Pour assurer le mouvement correct de l’articulation, le béton d’enrobage doit être dilaté en conséquence. La norme SIA 190 «Canalisations» est déterminante à cet égard. Le déplacement des tuyaux doit être effectué par un personnel spécialisé et formé, afin de garantir la longévité du système d’égouts. Les directives, prescriptions et normes des autorités et des associations doivent être respectées à la lettre.
- |
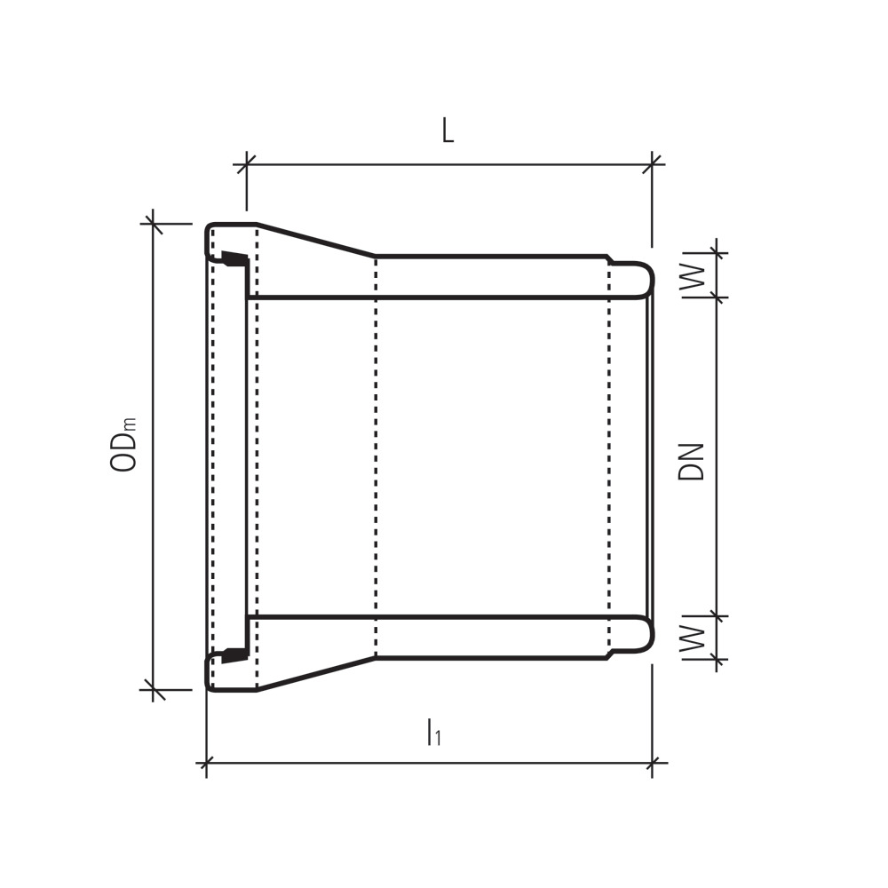
Tri | N° d'article | Informations sur le produit | DL | GR | UP | DN | L (mm) | l1 (mm) | ODm (mm) | W (mm) | FK | P (kg/pce) | Par | Prix | |||
---|---|---|---|---|---|---|---|---|---|---|---|---|---|---|---|---|---|
5633 | 137092 |
Tuyau articulation CENTUB-Röser DN 900 L1000 mm |
stock-3 | GR AZ | UP 99 | DN 900 | L (mm) 1000 | l1 (mm) 1100 | ODm (mm) 1110 | W (mm) 105 | FK 165 | P (kg/pce) 1250 | pce | 965.00 CHF |
|
||
5627 | 129051 |
Tuyau articulation CENTUB-Röser DN 300 L1000 mm |
stock-2 | GR AZ | UP 71, 99 | DN 300 | L (mm) 1000 | l1 (mm) 1080 | ODm (mm) 545 | W (mm) 70 | FK 200 | P (kg/pce) 241 | pce | 361.00 CHF |
|
||
5628 | 138304 |
Tuyau articulation CENTUB-Röser DN 400 L1000 mm |
stock-2 | GR AZ | UP 71, 99 | DN 400 | L (mm) 1000 | l1 (mm) 1090 | ODm (mm) 660 | W (mm) 75 | FK 200 | P (kg/pce) 325 | pce | 412.00 CHF |
|
||
5629 | 110349 |
Tuyau articulation CENTUB-Röser DN 500 L1000 mm |
stock-2 | GR AZ | UP 71, 99 | DN 500 | L (mm) 1000 | l1 (mm) 1090 | ODm (mm) 795 | W (mm) 85 | FK 200 | P (kg/pce) 469 | pce | 505.00 CHF |
|
||
5630 | 129780 |
Tuyau articulation CENTUB-Röser DN 600 L1000 mm |
stock-2 | GR AZ | UP 71, 99 | DN 600 | L (mm) 1000 | l1 (mm) 1090 | ODm (mm) 890 | W (mm) 90 | FK 165 | P (kg/pce) 559 | pce | 570.00 CHF |
|
||
5631 | 129075 |
Tuyau articulation CENTUB-Röser DN 700 L1000 mm |
stock-2 | GR AZ | UP 71, 99 | DN 700 | L (mm) 1000 | l1 (mm) 1100 | ODm (mm) 1055 | W (mm) 90 | FK 165 | P (kg/pce) 730 | pce | 730.00 CHF |
|
||
5632 | 115232 |
Tuyau articulation CENTUB-Röser DN 800 L1000 mm |
stock-2 | GR AZ | UP 71, 99 | DN 800 | L (mm) 1000 | l1 (mm) 1100 | ODm (mm) 1190 | W (mm) 95 | FK 165 | P (kg/pce) 903 | pce | 830.00 CHF |
|
||
5634 | 109892 |
Tuyau articulation CENTUB-Röser DN 1000 L1000 mm |
stock-2 | GR AZ | UP 71, 99 | DN 1000 | L (mm) 1000 | l1 (mm) 1100 | ODm (mm) 1470 | W (mm) 115 | FK 165 | P (kg/pce) 1362 | pce | 1140.00 CHF |
|
||
5635 | 120120 |
Tuyau articulation CENTUB-Röser DN 1200 L1000 mm |
stock-2 | GR AZ | UP 71, 99 | DN 1200 | L (mm) 1000 | l1 (mm) 1100 | ODm (mm) 1700 | W (mm) 140 | FK 135 | P (kg/pce) 1872 | pce | 1420.00 CHF |
|
une extremité avec cloche d'emboîtement et joint intégré, autre extrémité mâle
- Des conditions de livraison spécifique s'appliquent aux tuyaux et raccords CENTUB®-Röser. Prix sur demande.
Avec les données CAO/BIM, nous vous facilitons la planification numérique de projets de construction.
Les dessins en 3D d’un projet de construction permettent de sécuriser la planification sûre et d’associer toutes les informations clés du projet. Les visualisations fidèles à l’original garantissent une efficacité accrue en termes de maîtrise des coûts, de respect des délais et de qualité.
Nous nous ferons un plaisir de vous mettre à disposition un grand nombre de nos articles avec des données CAO/BIM dans les trois formats DWG, IFC et NDW.