Séparateur à graisses SG friwa®-fat
Séparation efficace des eaux contenant des graisses conformément à la norme SN EN 1825.
Le séparateur de graisses friwa®-fat est une solution performante pour les cuisines professionnelles, les abattoirs et les entreprises de l’industrie alimentaire. Il assure une séparation fiable des graisses animales et des huiles végétales dans les eaux usées et protège ainsi durablement les conduites, les canalisations et l’environnement.
Domaines d’utilisation et installation
L’installation est réalisée sous terre en fonction des conditions de construction. Le séparateur de graisses friwa®-fat convient aussi bien aux constructions neuves qu’à l’équipement ultérieur dans des installations existantes. Les domaines d’utilisation typiques sont :
- Restaurants et cuisines industrielles
- Boucheries et abattoirs
- Entreprises de transformation alimentaire et cantines
Fonctionnement
Les eaux usées débarrassées des matières en suspension sont acheminées dans la chambre de séparation via une plaque d’entrée intégrée. La vitesse d’écoulement y est réduite afin de garantir une répartition uniforme. En raison de la différence de densité, les graisses et les huiles remontent à la surface de l’eau et forment une couche de graisse. Celle-ci est retenue entre les éléments d’entrée et de sortie. La séparation est purement physique et ne nécessite aucun ajout de produits chimiques.
Planification et utilisation
Pour une utilisation conforme à la norme SN EN 1825, un décanteur est nécessaire en amont. La ventilation ainsi que l’entretien et l’élimination réguliers sont également des aspects importants à intégrer dans la planification. Notre équipe d’experts se fera un plaisir de vous aider à choisir et à concevoir la solution adaptée.
Conseils et assistance
Vous avez des questions sur le bon dimensionnement ou sur les conditions d’installation ? Nous vous conseillons volontiers.
- |
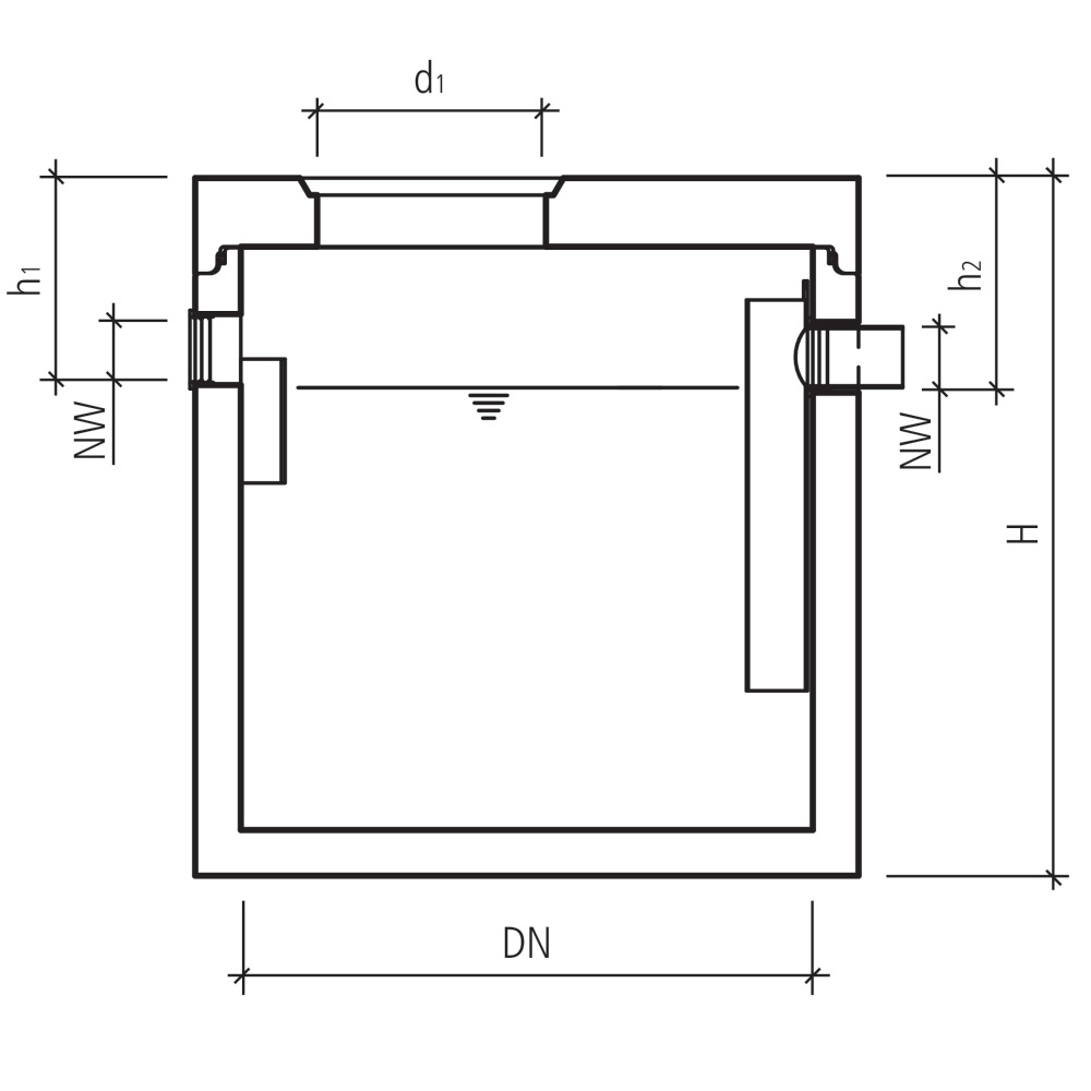
| Tri | N° d'article | Informations sur le produit | DL | GR | UP | DN | d1 (mm) | H (mm) | h1 (mm) | h2 (mm) | NW (mm) | P tot. (kg/pce) | NG (l/s) | Par | Prix | |||
|---|---|---|---|---|---|---|---|---|---|---|---|---|---|---|---|---|---|---|
| 4007 | 120041 |
Séparateur à graisse friwa-fat SG GN 2 |
stock-3 | GR CK | UP 22 | DN 1000 | d1 (mm) 600 | H (mm) 1830 | h1 (mm) 530 | h2 (mm) 550 | NW (mm) 150 | P tot. (kg/pce) 2330 | NG (l/s) 2 | pce | 3730.00 CHF |
|
||
| 4008 | 119210 |
Séparateur à graisse friwa-fat SG GN 4 |
stock-3 | GR CK | UP 22 | DN 1250 | d1 (mm) 600 | H (mm) 1830 | h1 (mm) 530 | h2 (mm) 550 | NW (mm) 150 | P tot. (kg/pce) 3100 | NG (l/s) 4 | pce | 5040.00 CHF |
|
||
| 4009 | 122816 |
Séparateur à graisse friwa-fat SG GN 7 |
stock-3 | GR CK | UP 22 | DN 1500 | d1 (mm) 600 | H (mm) 1830 | h1 (mm) 530 | h2 (mm) 550 | NW (mm) 150 | P tot. (kg/pce) 3950 | NG (l/s) 7 | pce | 6040.00 CHF |
|
||
| 4010 | 127779 |
Séparateur à graisse friwa-fat SG GN 10 |
stock-3 | GR CK | UP 22 | DN 1750 | d1 (mm) 600 | H (mm) 1830 | h1 (mm) 530 | h2 (mm) 550 | NW (mm) 150 | P tot. (kg/pce) 4870 | NG (l/s) 10 | pce | 8080.00 CHF |
|
||
| 4011 | 119777 |
Séparateur à graisse friwa-fat SG GN12 |
stock-3 | GR CK | UP 22 | DN 2000 | d1 (mm) 600 | H (mm) 1830 | h1 (mm) 580 | h2 (mm) 600 | NW (mm) 200 | P tot. (kg/pce) 5800 | NG (l/s) 12 | pce | 8820.00 CHF |
|
||
| 4012 | 116454 |
Séparateur à graisse friwa-fat SG GN15 |
stock-3 | GR CK | UP 22 | DN 2500 | d1 (mm) 600 | H (mm) 1830 | h1 (mm) 580 | h2 (mm) 600 | NW (mm) 200 | P tot. (kg/pce) 8610 | NG (l/s) 15 | pce | 11710.00 CHF |
|
||
| 4013 | 133010 |
Séparateur à graisse friwa-fat SG NS 25 |
stock-3 | GR CK | UP 22 | DN 3000 | d1 (mm) 600 | H (mm) 2200 | h1 (mm) 650 | h2 (mm) 670 | NW (mm) 250 | P tot. (kg/pce) 14600 | NG (l/s) 25 | pce | 14210.00 CHF |
|
rond, y compris plaque de couverture D400, à joint étanche (G), sans couvercle
- Destiné aux restaurants, abbatoirs et industries alimentaires.
- Pour la rétention des graisses animales et des huiles végétales présentes dans les eaux usées.
- Avec un revêtement resistant aux acides et bases (PH)
- Pour des raisons d'entretien, les ouvertures d'accès peuvent être relevées de 30 cm au maximum.
Avec les données CAO/BIM, nous vous facilitons la planification numérique de projets de construction.
Les dessins en 3D d’un projet de construction permettent de sécuriser la planification sûre et d’associer toutes les informations clés du projet. Les visualisations fidèles à l’original garantissent une efficacité accrue en termes de maîtrise des coûts, de respect des délais et de qualité.
Nous nous ferons un plaisir de vous mettre à disposition un grand nombre de nos articles avec des données CAO/BIM dans les trois formats DWG, IFC et NDW.